DESCRIPTION
The project partners are corroborated as follows: a) The German side has undertaken the responsibility to produce new membranes and b) the Greek side to implement them into an innovative pilot arrangement according to the following specific objectives:
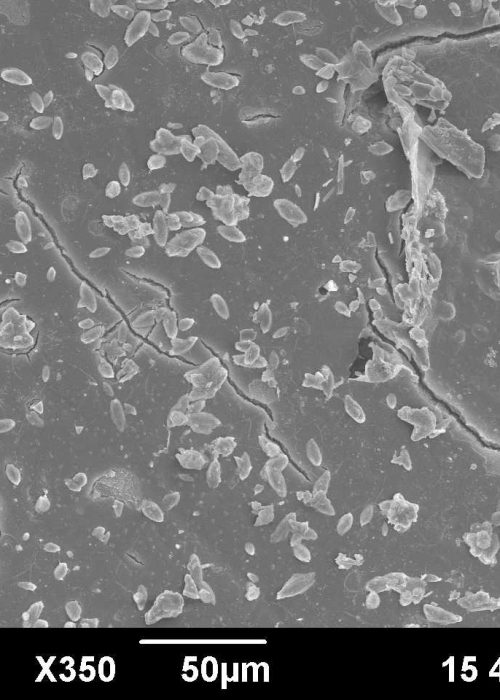
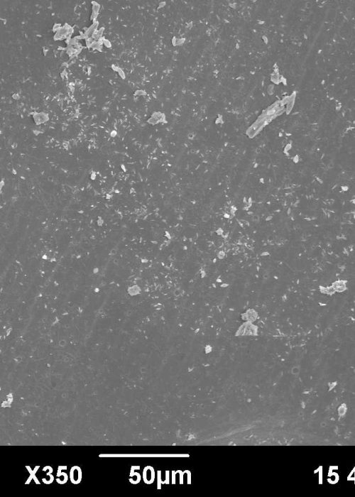
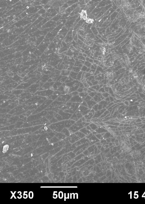
- To characterize the new membranes by applying several techniques, such as: adsorption, permeability, microscopy, x-ray scattering, etc.
- To develop a hybrid lab pilot unit running by solar energy and combining low pressure operating membranes with zero or nearly zero liquid discharge (ZLD).
- To provide feasibility studies for the membranes and the lab‐pilot unit.
Two innovative membranes are prepared from our German partners, suitable for NF and MD. A commercial hollow fiber forward osmosis (HFFO) membrane was mediated in the pilot plant. Two such pilots are constructed: NF-FO-MD and NF-FO-RO. In the frame of the project, three useful discoveries are made too:
- First the use of air nanobubbles (NB) was found to help the pretreatment of saline water and enhance the draw solution performance by accelerating the FO process and reducing the energy consumption by about 30%; moreover NBs have found to have a cleaning effect on the used membranes.
- Second graphene oxide (GO) and graphene of 77% purity was produced from Greek lignite that is a very low cost transitional material to meta-lignite era of Greek power plants.
- Third a method for evaluating tortuosity and flow properties within a porous medium was suggested.
The findings obtained from the feasibility study render the investment of the NF-FO-MD system the optimal intervention scenario to implement, considering that the net present value of the investment of the NF-FO-MD system is greater than that of NF-FO-RO (€143,670.08>€102,778.83) and therefore more advantageous to invest.
The project has included marketing plans for each technology; 1 patent and 20 peer reviewed publications. The project goals were monitored by a set of milestones covering: Successful lab pilot unit demonstration; successful evaluation of the performance of NAMED membranes; proof of concept of integrated membrane system; proof of concept of NB cleaning; solar energy use, system reliability, economics report and competitive advantage evaluation in agreement with the industrial partners and the set-up of the technology specific marketing concepts.
The project’s partners are given as follows: EMT and ECOTECH SA from the Greek side and HZG and FutureCarbon GmbH form the German side. The Greek side have employed 7 new researchers (5 at EMT and 2 at ECOTECH) and the German side 5 new researchers (3 at HZG and 2 at FC).
Co‐financed by the European Regional Development Fund of the European Union and Greek national funds through the Operational Program Competitiveness, Entrepreneurship and Innovation, under the call NAMED (project code: T2ΔΓΕ-0597)
DOCUMENTATION
PEOPLE
Prof. A.Ch. Mitropoulos
Research Leader
Prof. D. Bandekas
Research Deputy Leader
Dr N.K. Kanellopoulos
Research Concultant
Dr C. Bomis
Researcher
Ms A. Moutzouroglou
Dr D.A. Gkika
Ms R.I. Kosheleva
Researcher
Mr A. Varoutoglou
Researcher
Ms G.Sapalidou
Ms Artemis Steinmiller
RESULT
PROJECT ELEMENTS
MEMBRANES CHARACTERIZATION
NANOBUBBLES
PILOT PLAN
FEASIBILITY STUDY
INNOVATION
PHOTO GALLERY
PRESENTATION GALLERY
PUBLICATIONS
School of Sciences,
Department of Chemisty.

























































